聚合氯化鋁(PAC)是一種廣泛使用的無機絮凝劑,印染廢水經生化處理后色度往往難以達標,采用PAC 進行深度脫色處理效果較好, 但其存在用量大,水中殘留鋁對環境有害,形成的絮體結構松散,沉降性能欠佳,水力沖擊下容易返渾等缺點〔1〕。目前改性硅藻土也常用于染料廢水的脫色〔2〕,硅藻土廉價無毒,適應性強,但吸附性能與活性炭相比還有差距,且多呈粉體難以固液分離。采用改性硅藻土復配聚合氯化鋁絮凝劑處理染料溶液, 可以獲得結構密實的絮體,提高脫色效率,改善沉降性能,減少PAC用量從而減輕Al3+溶出對環境造成的危害, 由于硅藻土價格低廉,同時也可降低水處理成本。
1 實驗部分
1.1 材料與儀器
材料:硅藻土,化學純,質量分數(以Si 計)為88%;聚合氯化鋁,質量分數(以Al2O3計)為10%。以上材料均來自常州友邦凈水材料有限公司。商品活性艷紅。
儀器:721 分光光度計,上海精密科學儀器有限公司;MY3000-6 智能型混凝試驗攪拌儀,潛江梅宇儀器有限公司;pHS-3C 型酸度計,上海虹益儀器儀表有限公司。
1.2 硅藻土改性方法
將硅藻原土用0.1 mol/L 的稀HCl 溶液浸泡24 h,然后用去離子水沖洗、烘干,在450 ℃下焙燒1 h 至微呈粉紅色,備用。
1.3 絮凝劑復配方法
將聚合氯化鋁在85 ℃下烘0.5 h, 然后與改性硅藻土按照一定的質量比混合后反復研磨,即得復合絮凝劑。
1.4 脫色率測定
活性艷紅濃度采用分光光度法在540 nm 波長處測定。
脫色率=(C0-C1)/C0×100%
式中:
C0———活性艷紅初始質量濃度,mg/L;
C1———處理后活性艷紅質量濃度,mg/L。
1.5 沉降性能測定
用沉降時間表征沉降快慢。沉降時間是指攪拌停止后,污泥和液面之間形成明顯的分界面所需時間。絮體的緊密程度用污泥沉降比表征。將反應懸濁液倒入250 mL 量筒中靜置1 h,測得污泥體積與原渾濁液體積之比即為沉降比。
2 結果與分析
2.1 不同藥劑的脫色效果將改性硅藻土、PAC 及PAC+改性硅藻土復合絮凝劑(PAC 與改性硅藻土質量比為5∶1)各0.5 g 分別投加到200 mL 質量濃度為70 mg/L、pH 為9.7 的活性艷紅溶液中, 以250 r/min 的速度攪拌45 min,靜置1 h 后取上清液測其濃度。不同藥劑的脫色效果見表1。

由表1 可知,在相同條件下,復合絮凝劑的處理效果比較好,PAC 次之,改性硅藻土比較差,沉降效果也依此順序下降。由于改性硅藻土吸附容量有限,加之呈粉體狀,不易固液分離,導致其脫色率較小。
硅藻土和PAC 復配使用,由于硅藻土具有較大的比表面積,可吸附活性艷紅分子,也可作為PAC 絮凝的“核”進而發生架橋吸附,同時硅藻土結構中的硅醇基水解致使表面帶負電荷〔3〕,對PAC 具有電中和脫穩作用,因此處理后上清液清亮透明,沒有硅藻土懸浮微粒,生成的絮體較大,沉降性能大大改善。
2.2 PAC 與改性硅藻土配比的影響
將PAC 與改性硅藻土以不同質量比混合研磨制得的復合絮凝劑0.5 g 投加到200 mL 質量濃度為100 mg/L、pH 為9.7 的活性艷紅溶液中,以50 r/min的速度攪拌15 min,靜置1 h 后取上清液測其濃度。PAC 與改性硅藻土配比對處理效果的影響見圖1。

由圖1 可知,隨著m(PAC)∶m(改性硅藻土)的增大,脫色率隨之增加,當比值超過5 時,脫色率增幅并不明顯,比值達到10 左右時,脫色率有下降的趨勢。這是因為改性硅藻土主要起助凝劑的作用,當其在復合絮凝劑中所占比例較大時, 發揮絮凝作用的PAC 的量不足,且硅藻土吸附容量較小,導致絮凝和吸附作用均不充分,脫色率不高,實驗中觀察到硅藻土顆粒單獨于絮體先行沉降下來,污泥體積較小。隨著m(PAC)∶m(改性硅藻土)的提高,混凝、助凝以及吸附聯合作用效果得到提高。進一步增加PAC 的比例時,硅藻土的吸附助凝作用被削弱,脫色效果和污泥沉降性能都有下降趨勢。實驗結果表明,m(PAC)∶m(改性硅藻土)在5∶1 附近對活性艷紅脫色效果比較好,下述實驗中復合絮凝劑均采用該配比。
2.3 復合絮凝劑投加量的影響
將不同質量的復合絮凝劑分別投加到200 mL質量濃度為100 mg/L、pH 約為9.7 的活性艷紅溶液中,以50 r/min 的速度攪拌15 min,靜置1 h 后取上清液測其濃度。復合絮凝劑投加量對處理效果的影響見圖2。

由圖2 可知,隨著復合絮凝劑投加量的增加,脫色率隨之上升。當復合絮凝劑投加質量達到0.5 g時,脫色率接近100%,進一步增大投加量,脫色率沒有明顯變化,當投加質量增加到1 g 以上時,脫色率明顯下降。這是因為聚合氯化鋁水解產物主要為Al(Ⅲ)多羥基絡合物,可通過電中和使污染物顆�;蚰z體雙電層壓縮、ζ 電位降低從而迅速脫穩,比較終發生凝聚并沉降下來。如果加入過量的聚合氯化鋁,則污染物顆粒吸附過多的反離子,使所帶電荷變號,相互排斥,產生再穩現象〔4〕。綜合考慮,合適的復合絮凝劑投加質量濃度為2.5 g/L,下述實驗均采用該投加量。
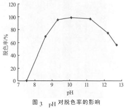
2.4 pH 的影響
將0.5 g 復合絮凝劑投加到200 mL 質量濃度為100 mg/L、不同pH 的活性艷紅溶液中,以50 r/min的速度攪拌15 min,靜置1 h 后取上清液測其濃度。pH 對處理效果的影響見圖3。

由圖3 可知,pH<8 時絮凝過程非常緩慢,隨pH的增大,絮凝過程加快,絮體增大,脫色率隨之增大,當pH 在10 左右時, 脫色效果比較好, 進一步增大pH,脫色率呈下降趨勢。聚合氯化鋁水解產物有單體〔Al3+、Al(OH)2+、Al(OH)2+〕、二聚體〔Al2(OH)22+〕、聚十三鋁〔AlO4Al12(OH)24 (H2O)127 +〕和高聚鋁, 而Al13是比較佳絮凝凝聚形態〔5〕。水解產物存在形式和表面所帶電荷受pH 影響較大。在酸性條件下,Al(Ⅲ)多羥基絡合物向單體Al3+形式轉變,表面帶正電荷,而在較強堿性條件下,其向Al(OH)4-形式轉變,表面帶負電荷, 因此絮凝形態分布及表面荷電性質有一個比較佳pH 平衡點。本實驗條件下,較適宜的pH范圍為9~11。
2.5 初始濃度的影響
分別將0.5 g 和1.0 g 復合絮凝劑投加到200 mL、pH 為10 的不同濃度的活性艷紅溶液中, 以50r/min 的速度攪拌15 min,靜置1 h 后取上清液測其濃度。溶液初始濃度對處理效果的影響見圖4。

由圖4 可知, 復合絮凝劑投加質量為0.5 g 時,隨溶液初始濃度的增加,脫色率呈下降趨勢;當投加質量為1.0 g 時,在溶液初始質量濃度﹤300 mg/L 的范圍內均有95%以上的脫色率,溶液初始質量濃度超過300 mg/L 以后,脫色率顯著下降。這說明單位質量絮凝劑存在一比較大絮凝量, 超過此范圍處理效果下降。
2.6 反應時間的影響
將0.5 g 復合絮凝劑投加到200 mL 質量濃度為100 mg/L、pH 為10 的活性艷紅溶液中, 以50 r/min的速度攪拌,經歷不同的反應時間,靜置1 h 后取上清液測其濃度。反應時間對處理效果的影響見圖5。

由圖5 可知,反應時間在20 min 左右時,脫色率達到比較大,反應時間超過20 min 后脫色率略有下降,增加反應時間對處理效果幾乎沒有幫助。實驗表明,該復合絮凝劑對活性艷紅的吸附、絮凝和凝聚過程較迅速,這在實際水處理中是十分便利的。
2.7 攪拌強度的影響
將0.5 g 復合絮凝劑投加到200 mL 質量濃度為100 mg/L、pH 為10 的活性艷紅溶液中,以不同的轉速攪拌20 min,靜置1 h 后取上清液測其濃度。攪拌強度對處理效果的影響見圖6。

由圖6 可知,攪拌強度較小時,脫色率較高,攪拌強度在50 r/min 左右時,脫色效果比較好,攪拌強度超過150 r/min,脫色率明顯下降。實驗中亦觀察到在慢攪情況下,形成的絮體較大,沉降較快;快攪情況下,形成的絮體較小,沉降較慢,這是因為水力條件對絮凝與凝聚行為影響很大。但攪拌速度太小,復合絮凝劑未能與污染物充分接觸, 自然會影響脫色效果;攪拌速度過大,絮體易被打碎,影響絮團對污染物的架橋吸附及網捕作用,造成脫色率下降。具體參見污水寶商城資料或http://www.dowater.com更多相關技術文檔。
3 結論
改性硅藻土作為聚合氯化鋁的助凝劑可明顯提高對染料溶液的脫色率,大大提高污泥的沉降性能,在難生化降解印染廢水的預處理中具有重要意義。當聚合氯化鋁與改性硅藻土的質量比在5~10 的范圍內,廢水的pH 在9~11 范圍內時,復合絮凝劑對染料廢水具有很好的脫色效果, 十分適合堿性印染廢水的預處理。另外,15~20 min 的混凝時間在實際廢水處理中是很容易接受的, 同時由于廉價無毒硅藻土的替代,減少了聚合氯化鋁的用量,有助于降低混凝后出水殘留鋁的濃度, 減輕對環境的危害以及降低處理成本。





